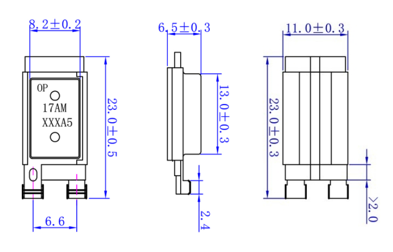
The 17AM PTC series products are equipped with PTC thermistors on the basis of 17AM automatic reset, which provide power-off protection and delay protection. It needs to be powered off to resume work, and its protection function is more reliable and safe.
Contact resistance: For conventional products (non high resistance or built-in additional resistance),
the contact resistance should not exceed 50 milliohms.
Electrical capacity: 125VAC 15A/250VAC 10A 50/60HZ.
Contact life: 250VAC 10A 10000 cycles.
Product safety certification: CQC: CQC21002305275 ROHS.
