Submersible sewage pump single-phase
Submersible sewage pump single-phase
Submersible sewage pump single-phase
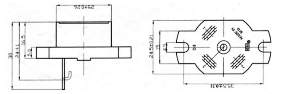
  ABR19/D is a single-phase thermal protector with dual characteristics of current and temperature. It is suitable for small single-phase motors, submersible pumps, and other buried devices to protect the motor from temperature and current overload operation. The wiring of this protector is convenient and simple, with one end connected to the single-phase winding and the other end connected to the single-phase power supply.
Information

1.The shell is made of rubberwood plastic material and must not have defects such as cracks, missing materials, or broken corners.

2. Metal parts

Terminals, bimetallic strips, and other metal parts must not have defects such as burrs, rust, or missing materials.

3. Performance

3.1 Rated voltage and current AC 220V/110V

3.2 Current action characteristics

3.3 Temperature action characteristics

3.4 Electrical Strength

Between the wiring terminal and the rubberwood shell, AC1800V/1s, No flashover or breakdown is allowed; AC2200V /1s 50 Hz,

3.5. Insulation resistance

The insulation resistance between the terminal block and the rubberwood shell is greater than 20M Ω;>20 M Ω

image.png